Language
Current Location:Home Page >Products >3.6-12kV insulation parts series >3.6-12kV sensor series
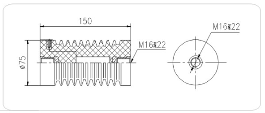
产品名称:传感器
产品型号:CG139-12
额外电压:12kV
Product design drawing: