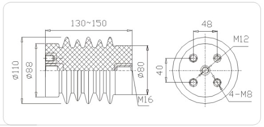
产品名称:绝缘子

产品型号:ZJ107-12

额定电压:3.6~12kV


Product design drawing:

20200328153944232.jpg

Product consultation