Language
Current Location:Home Page >Products >3.6-12kV insulation parts series >3.6-12kV insulator series
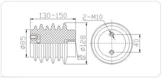
产品名称:绝缘子
产品型号:ZJ109-12
额定电压:3.6~12kV
Product design drawing: