Language
Current Location:Home Page >Products >3.6-12kV insulation parts series >12kV insulation tube series
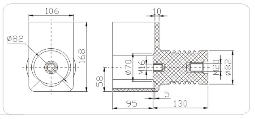
产品名称:连体绝缘子
产品型号:ZJ144-12
额定电压:12kV
Product design drawing: