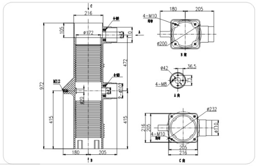
产品名称:绝缘筒

产品型号:JTZ102-40.5(3AV3A)

额定电压:40.5kV


产品设计图:

20200328173444591.jpg

产品咨询